Aprovechando las nociones que tenemos de las configuraciones de los transistores, poden os elaborar un sencilla amplificador de audio. Su desempeño no es comparable a los mejores amplificadores de alta fidelidad, puede ser usado como etapa de audio en radios, intercomunicadores o como amplificador de prueba para el taller:
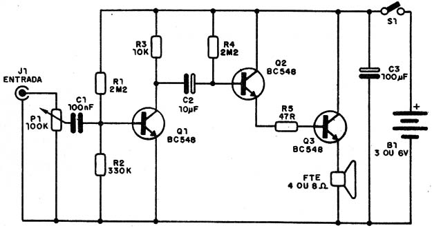
El amplificador descripto usa 3 transistores de uso general, que son conectados en dos configuraciones que estudiamos: emisor común y colector común. Proporcionará una potencia de hasta 1/2 watt a un parlante de 4 u 8 Ω, pudiendo servir de base para una radio, intercomunicador o en la prueba de fonocaptores, micrófonos y otros tipos de transductores.
La alimentación del circuito puede hacerse con 2 o 4 pilas pequeñas, o bien una fuente de 3 a 6V.
La característica principal de este amplificador muy simple está en la utilización de componentes comunes: apenas transistores, resistores y capacitores se usan en las etapas, y como elementos diferentes tenemos solamente el control de volumen (P1) y el parlante.
Cómo funciona
La primera etapa de amplificación tiene a Q1 conectado en la configuración de emisor común. La serial es aplicada, vía control de volumen (P1) a la base del transistor. Los resistores R1 y R2 tienen por finalidad polarizar la base del transistor.
Establecen la pequeña comente de base que va a variar con la presencia de la señal de entrada de audio.
La serial amplificada es retirada del colector del transistor y pasa para la etapa siguiente a través del capacitor C2.
La etapa siguiente consiste en un perfeccionamiento de la etapa conocida de colector común o seguidor de emisor. Conectando dos transistores, de modo que sus colectores sean unidos y que el emisor del primero va a la base del segundo, formamos un transistor ”Darlington", o sea, un transistor doble cuya ganancia es el producto de las ganancias de los dos transistores.
Si la ganancia de cada transistor fuera de 100 veces, la ganancia total obtenida será de 10.000 veces.
La serial será entonces aplicada a la base de Q2 y retirada del emisor de Q3 directamente hacia el parlante. Vea entonces que la relación de valores entre R4 y el parlante traduce justamente la ganancia del circuito y también indica las impedancias de entrada y salida de la etapa.
Tenemos entonces una etapa de alta impedancia, que se adapta con la etapa anterior, y una salida de baja impedancia que se adapta con el parlante usado.
Usamos transistores NPN. Podríamos usar transistores PNP, invirtiendo la alimentación y la polaridad de C2 y C3, que son los otros componentes polarizados del circuito además de invertir la polaridad de la bateria.
Montaje
El diagrama completo de este sencilla amplificador aparece en la figura 1.

En la figura 2 tenemos un montaje para principiantes, realizado en puente de terminales, el cual puede ser fijado en uma base de material aislante o caja.

Para los transistores se puede experimentar prácticamente cualquier tipo de uso general. como por ejemplo: BC237, BC238, BC547, BC549, BC107, BC108, BC109, etc.
Los resistores no son críticos, y en el casp de R2 y R3 sus valores pueden ser alterados de modo de encontrar una combinación que proporcione mayor amplificación sin distorción. Lo mismo ocurre con R4 cuyo valor, dependiendo de la ganancia de Q2 y Q3. puede quedar entre 1M5 y 4M7
Si en lugar de Q3 se usa un transistor de potencia. como por ejemplo un TlP31 montado en disipador de calor, y la alimentación se hace con 9 ó 12V, la potencia del circuito se elevará considerablemente.
Los capacitores C2 y C3 deben tener tensión de trabajo igual o mayor que la de la fuente. C1 puede ser de cualquier tipo.
Si se usa fuente, debe tener buen filtrado para evitar problemas de zumbidos.
Prueba y uso
Basta conectar S1 y conectar en la entrada J1 un micrófono de cristal u otra fuente de serial, como por ejemplo la salida de audio de una radio a pilas.
A falta de estos elementos basta tocar con los dedos en el terminal vivo de la entrada (que va a P1). Debe haber producción de sonido o ronquido cuando abrimos P1.
Constatado el funcionamiento, sólo resta usado. recordando que se deben conectar a su entrada siempre fuentes débiles de señales. y que los micrófonos dinámicos, o de otro tipo de baja sensibilidad, no consiguen excitar este circuito sin un preamplificador.




