Podemos contar con una buena cantidad de circuitos simples que hacen que los LED parpadean en modelismo y maquetas. Sin embargo, la mayoría no es de bajo consumo, drenando una buena corriente de la batería. Con el LM3909 podemos tener versiones simples de bajísimo consumo, como describimos en los dos proyectos de este artículo.
Describimos dos circuitos muy simples que parpadean hasta 4 LED con un bajísimo consumo de una sola pila (ver nuestro artículo "El LM3909").
Uno de los circuitos consume 1,5 mA y el otro 2,0 mA, lo que significa que una pila alimentará el circuito por semanas sin agotar.
Se trata, pues, de la configuración ideal para ser instalados en modelos, maquetas y objetos de decoración.
Un único circuito integrado LM3909 se utiliza para excitar 4 LED en paralelo, los quise ir parpadeando en una frecuencia alrededor de 1,5 Hz.
Como funciona
La base de los dos circuitos es el circuito integrado LM3909 (que analizamos en otro artículo) y que consiste en un intermitente de baja tensión para LEDs.
Disponible en un envoltorio DIL de 8 pines, requiere un mínimo de componentes externos para la implementación de un oscilador que opera a partir de 1,2 V.
Este circuito posee un doblador de tensión que permite alimentar LEDs que, normalmente sólo se encienden con al menos 1,8 V.
Otra característica importante del circuito es su consumo muy bajo, lo que lo hace ideal para aplicaciones alimentadas con pilas.
Montaje
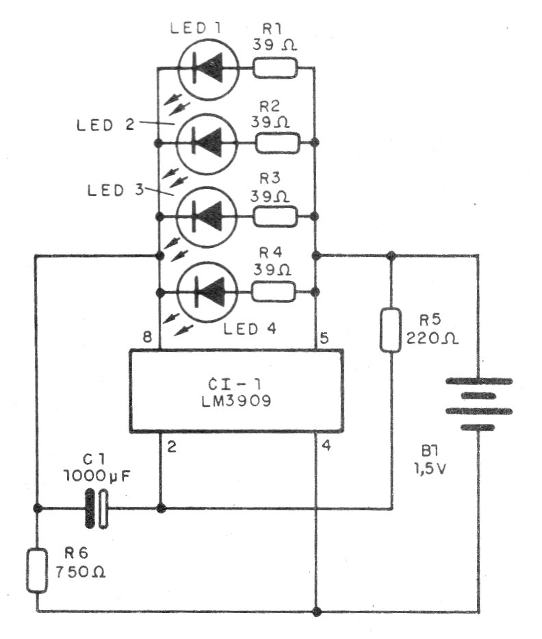
El primer circuito se muestra en la figura 1, consistente en un indicador para 4 LED con sólo 2 mA de consumo.
Los 4 LEDs son rojos comunes y el electrolítico debe tener una tensión de trabajo de al menos 3 V;
Este capacitor determina la frecuencia de los intermitentes.
En la figura 2 tenemos una sugerencia de placa de circuito impreso para el montaje.
El segundo circuito tiene un consumo menor, pero tiene un componente más que el capacitor C2.
El circuito se muestra en la figura 3.
El montaje en placa de circuito impreso se muestra en la figura 4.
En el montaje, observe la posición de los LED y del circuito integrado.
Circuito 1
CI-1 - LM3909 - circuito integrado
LED 1 a LED4 - LED rojos comunes
B1 - 1,5 V - pila
R1 a R4 - 39 ohms x 1/8 W - resistor - naranja, naranja, negro
R5 - 220 ohms x 1/8 W - resistor - rojo, rojo, marrón
R6 - 750 ohms x 1/8 W - resistor - violeta, verde, marrón
C1 - 47 uF - capacitor electrolítico
Varios:
Placa de circuito impreso, hilos, soldadura.
Circuito 2
CI-1 - LM3909 - circuito integrado
LED1 a LED4 - LED rojos comunes
B1 - 1,5 V - pila
R1 a R4 - 39 ohms x 1/8 W - resistores - naranja, blanco, negro
R5 - 220 ohms x 1/8 W - resistor - rojo, rojo, marrón
R6 - 750 ohms x 1/8 W - resistor - violeta, verde, marrón
C1 - 47 uF - electrolítico
C2 - 4 700 uF - electrolítico
Varios:
Placa de circuito impreso, hilos, soldadura







