Hoy en día la mayoría de los vehículos de transporte de carga o pasajeros tienen una alerta sonora de retroceso, lo mismo no ocurre con los coches de paseo. Si usted tiene un vehículo que no tiene este recurso, describimos el montaje de una simple alerta que puede adaptarse a prácticamente cualquier vehículo.
Muchos vehículos poseen una alerta sonora de ré que avisan a cualquier persona en las cercanías que está caminando de vuelta, eventualmente en una maniobra de estacionamiento.
Este recurso es muy importante en el caso de vehículos de carga y pesados, donde no siempre la visibilidad permite que el conductor ve y hay alguien detrás.
El circuito que describimos no es más que el oscilador intermitente que acciona un bocadillo cuando la marcha atrás es enganchada.
El circuito se conecta en paralelo con la luz de retroceso, lo que hace su instalación extremadamente simple.
La alimentación del circuito se realiza con la propia tensión de la lámpara y el consumo es extremadamente bajo.
Como funciona
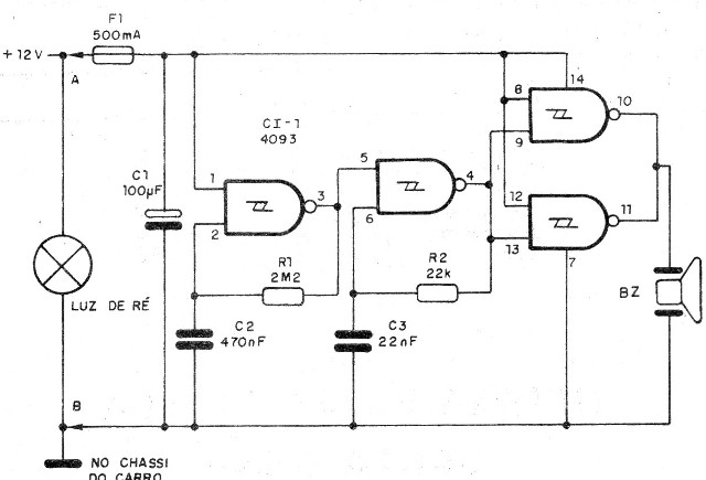
El circuito se basa en el versátil circuito integrado 4093 que contiene cuatro puertos disparadores NAND.
En el caso de que se produzca un cambio en el valor de la variable, se debe tener en cuenta que, en el caso de que se produzca un error,
Las señales combinadas que consiste en un tren de pulsos intermitente se amplifica digitalmente por las dos puertas restantes y se aplican a un bocadillo o pequeño transductor piezoeléctrico.
Montaje
En la figura 1 tenemos el diagrama completo del sistema de alerta de retroceso.

El aparato también puede ser utilizado con fines didácticos para mostrar cómo funciona un circuito intermitente 4093.
Así, tenemos como primera posibilidad de montaje una matriz de contacto o una placa universal con el mismo patrón.
Este montaje se muestra en la figura 2.

Para el caso de la elaboración de una placa de circuito impreso, tenemos una sugerencia de dibujo en la figura 3.

En el montaje, observe la posición del circuito integrado.
Prueba y uso
Para probar el aparato, basta con conectar a una fuente de 6 a 12 V y comprobar si emite bips.
Comprobado el funcionamiento, es sólo hacer la instalación definitiva en el vehículo, observando la polaridad de la alimentación.
CI-1 4093 - circuito integrado
BZ - transductor piezoeléctrico - buzzer sin oscilador
F1 - 500 mA - fusible
C1 - 100 uF x 16 V - capacitor electrolítico
C2 - 470 nF - capacitor de poliéster o cerámico
C3 - 22 nF- capacitor de poliéster o cerámico
R1 - 2,2 M ohms x 1/8 W - resistor - rojo, rojo, verde
R2 - 22 k ohms x 1/8 W - resistor - rojo, rojo, naranja
Varios:
Placa de circuito impreso o matriz de contactos, hilos, soldadura, etc.



