Estamos en la era de los circuitos integrados que reúnen en una pequeña pieza de silicio millones de transistores. Sin embargo, muchos partidarios de la electrónica están redescubriendo el componente que dio origen a todo esto y que pensaba que estaba "enterrado" por muchos años: la válvula. Los dispositivos de válvula se fabrican y se venden a precios altos, los coleccionistas están pagando fortunas para las radios y otros equipos de la válvula del 30 al 50 y recuperadores buscan ansiosamente válvulas de repuesto para equipos antiguos. Lo que está sucediendo es lo que veremos en este artículo.
El tubo de vacío, válvula termiónica o válvula simplemente está siendo redescubierto por muchos partidarios de la electrónica. Este componente, voluminoso, consumidores una gran cantidad de energía, frágiles y costosos tienen incluso muchos atractivos que ahora se observan con mucho más respeto por muchos expertos en electrónica.
Si usted tiene un tubo de radio vieja, reliquia de muchas veces abandonado en un rincón húmedo del taller e incluso una caja rota, es el momento de verlo con más respeto: se puede tener más valor de lo que piensas.
Pero no sólo se recuperan los dispositivos de válvulas que pueden ser un buen negocio para el lector de los viejos tiempos que tiene la capacidad para hacerlo. Equipos válvula son buscados en muchas partes del mundo por las características que presentan.
Los preamplificadores
En los años 50 aparecieron los amplificadores ultra lineales de válvulas, que consistía en el más avanzado que hay en el sonido.
Con un circuito de salida con válvulas en push-pull y transformadores pesados con núcleos de materiales especiales que proporcionan el sonido más puro que podrían obtener en el momento.
En la Figura 1 se muestran los aspectos de estos amplificadores especialmente con transformadores pesados en la unidad de salida que llegaran a pesar más de 5 kg cada uno.

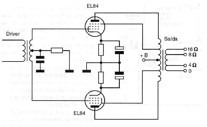
La configuración básica era la que se muestra en la Figura 2, en el que dos válvulas son conectadas en contrafase pentodo de manera que cada mitad del ciclo de señal de audio es amplificada por cada una.

Lo que llama la atención en estos circuitos es que las válvulas tienen una característica lineal que las diferencia del transistor de amplificación común que tiene una porción no lineal en el punto que se inicia la condución, como se muestra en la Figura 3.

El resultado de esta mayor linealidad de la válvula es la reproducción de un sonido más puro, prácticamente libre de la llamada distorsión armónica que se produce en circuitos de transistores.
Por más elaborados que sean los circuitos con transistor, nunca se logró eliminar por completo el problema de la distorsión causada por la no linealidad de los transistores y se ve en esto que llegó el descontento.
De hecho, a día de hoy hay gente que "no aceptan" sonido transistor,
indicando que el sonido más puro es producida por los amplificadores de tubo.
Para atender a estos partidarios del sonido del tubo ultra-lineal que ha desaparecido en la mayoría de los países, algunos fabricantes han invertido en la mejora de la antigua válvula para aplicarla en los amplificadores que, según los propios fabricantes y usuarios, son infinitamente mejores que el transistor moderno.
En la Figura 4 tenemos un anuncio en Internet que muestra uno de estos amplificadores lineales costeo permite a cualquier persona quedar horrorizada.

Además de utilizar transformadores ultra-lineal muy pesados, y sin duda, obstaculizar el uso portátil de este equipo, las propias válvulas utilizan una gran tecnología que nada recuerda las viejas radios y amplificadores (tocadiscos) de los años 50 y 60.
Las válvulas para reducir el nivel de ruido y mejorar sus características eléctricas han electrodos internos de oro.
No hace falta decir que esta es la vieja tecnología traído a nuestros tiempos.
Los partidarios de este sonido tubo dicen su pureza no se puede conseguir cualquier transistor equipo por más caro o sofisticado que sean.
Los circuitos en muchos casos son incluso de pasos híbridos de excitación, donde la influencia de la no linealidad del transistor se puede evitar, o incluso con transistores integrados y sólo pasos con válvula de salida.
Por supuesto, hoy en día el montaje de un circuito de este tipo se enfrenta a algunos problemas tales como dónde conseguir los transformadores (no debe haber alguien que pueda fabricar), o cómo hacer chasis de metal para el montaje.
Para válvulas que no hay mucho problema, ya que muchos de ellos todavía existen para el reemplazo de los equipos que todavía utilizan.
RECUPERACIÓN DE RADIOS
Otro campo interesante de actividades que comienza a ser descubiertos por los expertos y aficionados de la electrónica es la recuperación de los equipos principalmente radios.
Casa de campo, el campo e incluso casas de muebles de estilo antiguo mantiene equipos recuperados cuidadosamente ya menudo adquirida a un precio alto.
De la misma manera que en el mobiliario, la presencia de una vieja radio, así de la "capilla" o más moderna es vital para mantener la decoración.
Las radios de los 30, 40 o incluso 50 utilizando válvulas se encuentran abandonados en muchos lugares y la colocación en funcionamiento de estos puede significar un montón de dinero para aquellos que la alcanzan. La figura 5 muestra una de las radios.

Una vieja radio, que se vende como un objeto de decoración, antigüedades o incluso pintada con colores exóticos para una decoración diferente puede producir una gran cantidad de dinero para el técnico caprichoso.
De hecho, el precio de la radio no será el valor de lo aparato, pero la rareza y esto puede significar mucho más que el equivalente de una radio moderna.
La sensibilidad de lo técnico o aficionado para descubrir una radio en desuso y saber quién ofrecer es importante para tener éxito en los negocios.
En las grandes ciudades hay casas antiguas que sin duda estarían interesados ??en la gestión de este tipo de aparato en perfecto estado.
Curiosamente estas radios es que la recuperación a veces puede ser tan simple como el simple intercambio de una válvula. Los circuitos son simples, y los diferentes componentes de válvulas, específicamente las resistencias y condensadores admiten equivalentes modernos.
Por ejemplo, el condensador de aceite o papel de una vieja radio puede ser reemplazado por un de poliéster con la misma tensión de trabajo.
La Figura 6 muestra el aspecto de estos condensadores.

En la recuperación debiese solamente prestar atención a la posibilidad de más difícil conseguir las piezas dañadas o reparar tales como las placas de un condensador variable.
Condensadores duales, e incluso triples, como se muestra en la Figura 7 se pueden encontrar en estas radios.

Batidas o incluso caídas pueden doblar las placas de metal de modo que las placas del conjunto móvil vienen a apoyarse en la fijas cuando se gira el eje lo que no puede suceder.
En algunos casos, un tornillo de ajuste de un solo eje puede llevarse el set a una operación perfecta girando pero sin tocar las placas se doblan el problema es más grave.
Esperemos que el técnico muy hábil puede enderezar una de estas tarjetas, sino para todo el conjunto es más fácil de tratar de encontrar una variable de ajuste otra radio vieja abandonada.
Para el herrumbre del chasis una buena lijada y luego barnizado puede ayudar a dar un nuevo aspecto y una caja de madera, tratamiento con barniz puede dar una nueva mirada a una unidad abandonada durante mucho tiempo.
El circuito de calibración se realiza de la misma manera como en los receptores de transistores convencionales puesto que el circuito es equivalente.
La única diferencia en la mayoría de los tipos es el hecho de que en cada etapa tenemos una válvula en lugar del transistor y el transformador IF y bobinas son más grandes.
CÓMO OBTENER PIEZAS
Muchas casas de material electrónico y talleres incluso tienen en sus inventarios componentes de repuesto para radios, piezas viejas incluyendo las válvulas.
Por lo tanto, no es tan difícil la obtención de componentes e incluso tiene una ventaja sobre los equipos modernos.



