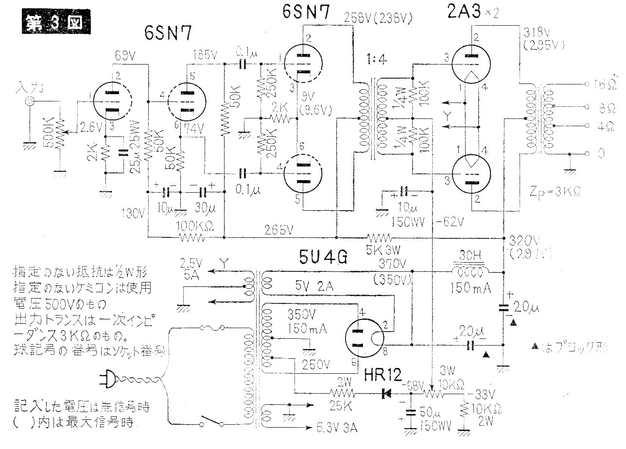
Este amplificador, que utiliza válvulas poco conocidas, como la 2A3 tiene una potencia de salida de 15 W con excelente calidad de sonido. Encontramos en una publicación japonesa de 1962. Los transformadores para este circuito son los componentes difíciles de obtener siendo necesario mandar enrollarlos.




