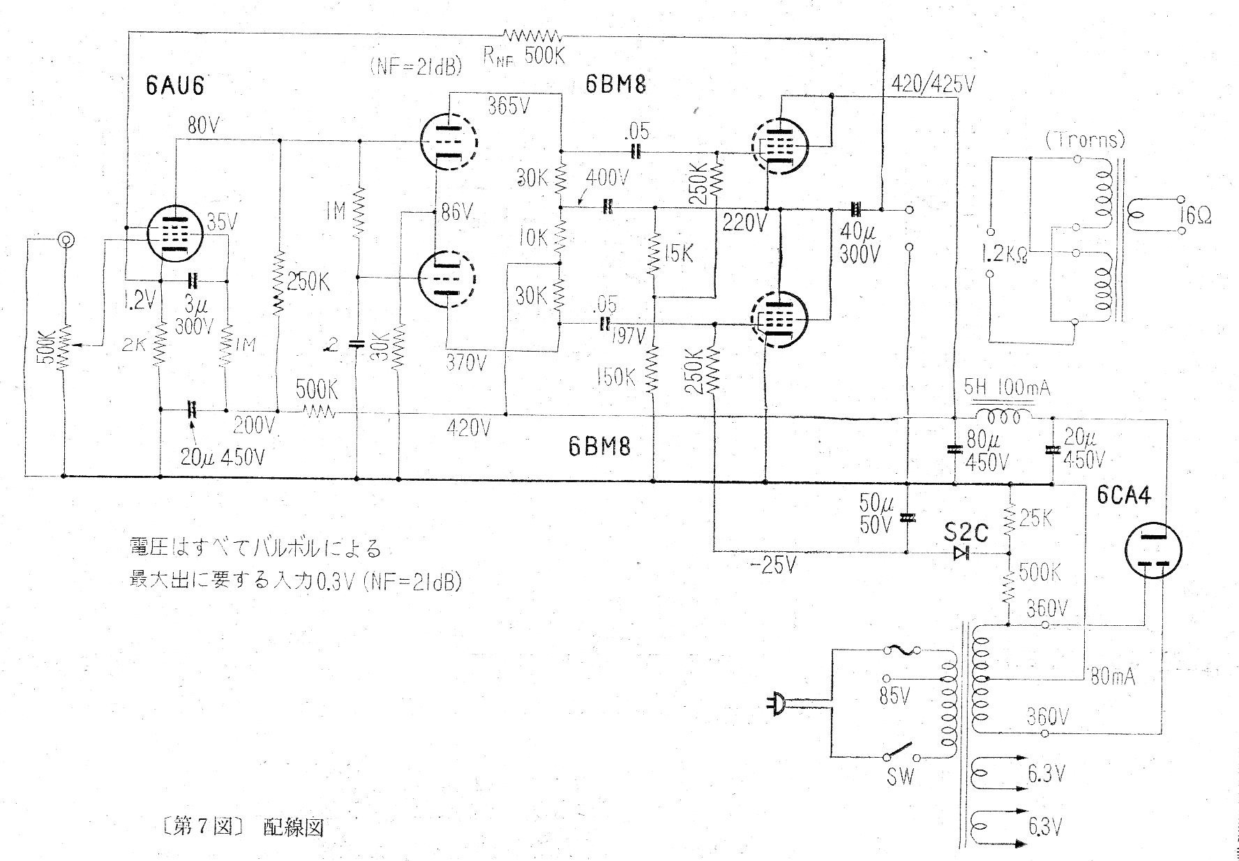
Este excelente amplificador de 4 W fue encontrado en una publicación japonesa de 1964. El circuito incluye la fuente de alimentación y tiene salida en push-pull. Los componentes críticos son los transformadores y las válvulas.

 

Amplificador 6BM8
Amplificador 6BM8 | Haga click en la imagen para ampliar |