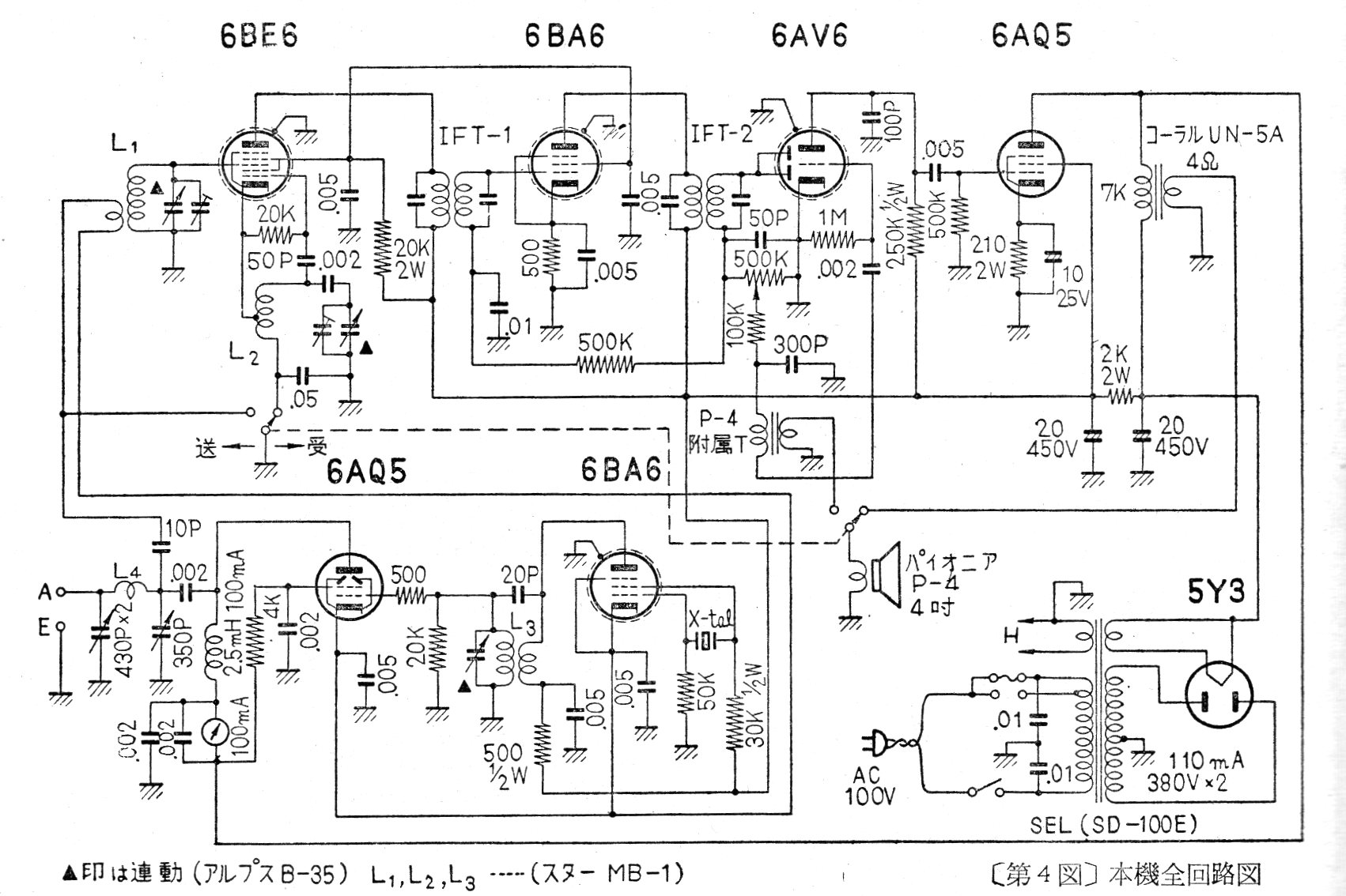
Este circuito de buena potencia fue obtenido en una antigua documentación japonesa, pero tiene una configuración universal para la época. El circuito utiliza un pentodo 6AQ5 en la salida y los componentes críticos son los transformadores.

 

Transceptor de 8 W
Transceptor de 8 W | Haga click en la imagen para ampliar |