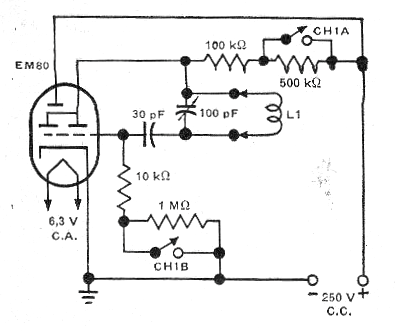
El circuito presentado fue obtenido de una publicación de 1967. Utiliza una válvula indicadora "ojo mágico". Esta válvula tiene una especie de pantalla fluorescente donde aparece un abanico luminoso en el que la anchura depende de la intensidad de la señal aplicada.
Esta válvula se encontraba en muchos radios antiguos como indicador de sintonía (figura 1). En este circuito, la fuente no se incluye, debiendo ser utilizada una de las que describimos en otro artículo de esta sección. Se coloca una bobina en el zócalo de ajuste y se ajusta su frecuencia. Cuando el circuito se aproxima a un oscilador, se puede buscar el punto de resonancia.
El circuito funciona de 2 a 50 MHz según la bobina que tendrá de 2 a 64 espiras (figura 2).





