Por supuesto, para montar este circuito, el lector encontrará enormes dificultades a no ser que encuentre en alguna chatarra los componentes, por ejemplo de un viejo osciloscopio del mismo tipo que deba ser recuperado. Se trata de un circuito comercial que sirve de referencia para una recuperación.
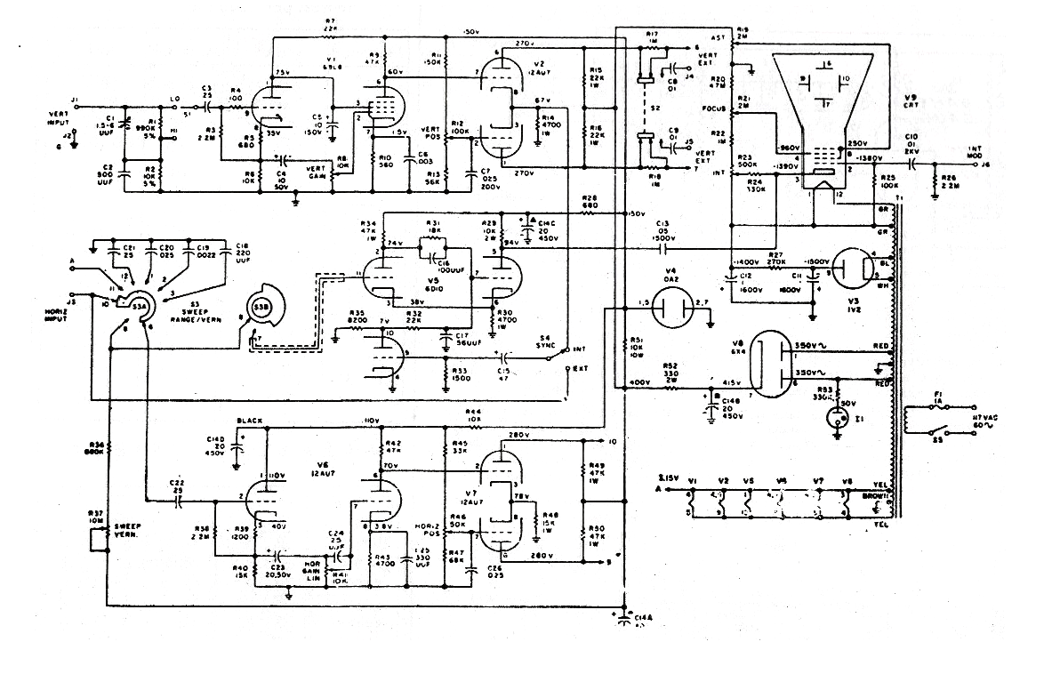
Se presenta el circuito del osciloscopio comercial EICO modelo 430 que sigue la configuración de muchos osciloscopios de la década de 50 y 60. El circuito hace uso de un transformador especial que genera la MAT del orden de 1 200 V para el TRC (Tubo de Rayos Catódicos) .
El osciloscopio en cuestión puede visualizar señales de algunos megahertz, baja velocidad dada por las características del tubo de los demás componentes del circuito.
Bastante simple, con pocos controles, este circuito posibilitaba a los profesionales de la época analizar circuitos de audio y de radio en los sectores de frecuencias más bajas.
El diagrama completo del osciloscopio se muestra en la figura 1.




