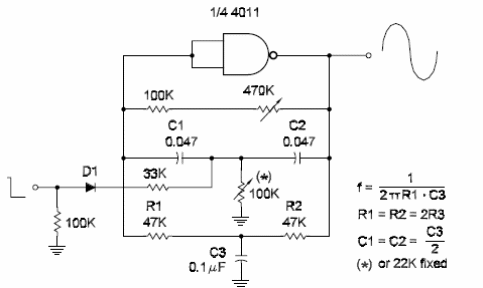
A pesar de utilizar un circuito lógico CMOS 4011, este circuito genera señales senoidales en frecuencia determinada por los componentes, según se formula junto al diagrama. Una de las puertas del 4011 se utiliza, pudiéndose también utilizar el 4001. La alimentación debe estar entre 5 y 15 V y la frecuencia máxima es de algunos megahercios. El circuito es del libro CMOS Sourcebook de Newton C. Braga, publicado en los Estados Unidos.




