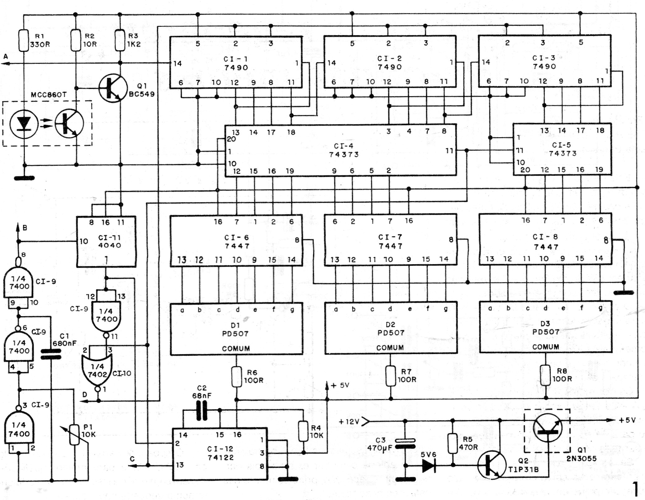
Este circuito, encontrado en una documentación de 1986, utiliza un sensor óptico para contar pulsos y, en su función, mostrar la velocidad en un display de 3 dígitos. Los displays son de cátodo común y la tecnología utilizada es TTL lo que requiere alimentación de 5 V. El circuito posee un contador que permite la adaptación en vehículos que ya tengan velocímetro común. El transistor de potencia de la fuente debe estar dotado de un disipador de calor.




