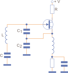
De hecho, el Oscilador Clapp no es más que una variación del Oscilador Colpitts en el que el circuito de sintonización es del tipo serie LC y no es paralelo, como se muestra en la Figura 1.

En este circuito no hay carga en el inductor, lo que resulta en un alto factor de calidad (Q). Esta configuración se usa ampliamente en VFO (osciladores de frecuencia variable u osciladores de frecuencia variable) de instrumentos tales como generadores de señal y transmisores por su capacidad para cubrir un amplio rango y estabilidad.
Ver también:
Osciladores
Oscilador Colpitts
Constante de tiempo
Fase
Ciclo activo
Factor Q
VFO



