Llamamos fugas o corrientes de fuga a pequeñas corrientes que pueden circular a través de un aislamiento imperfecto, a través de una unión polarizada en la dirección inversa, o a través de algún componente que no debe conducir ninguna corriente.
En general, se consideran fugas cuando las corrientes circulan a través de una resistencia superior a 100 k ohms.
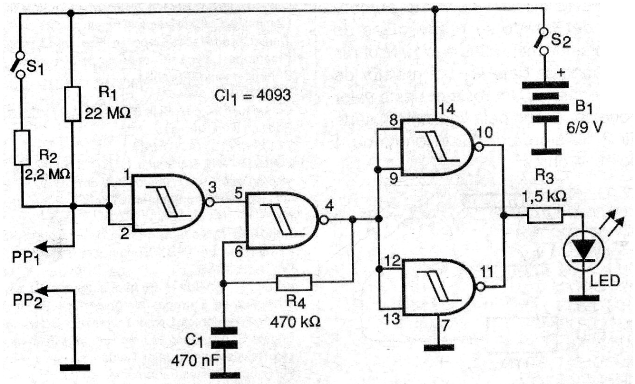
Para verificar la fuga de circuitos o componentes, podemos usar el multímetro o el megaohmetro, o incluso probadores especiales, como se muestra en el circuito a continuación.




