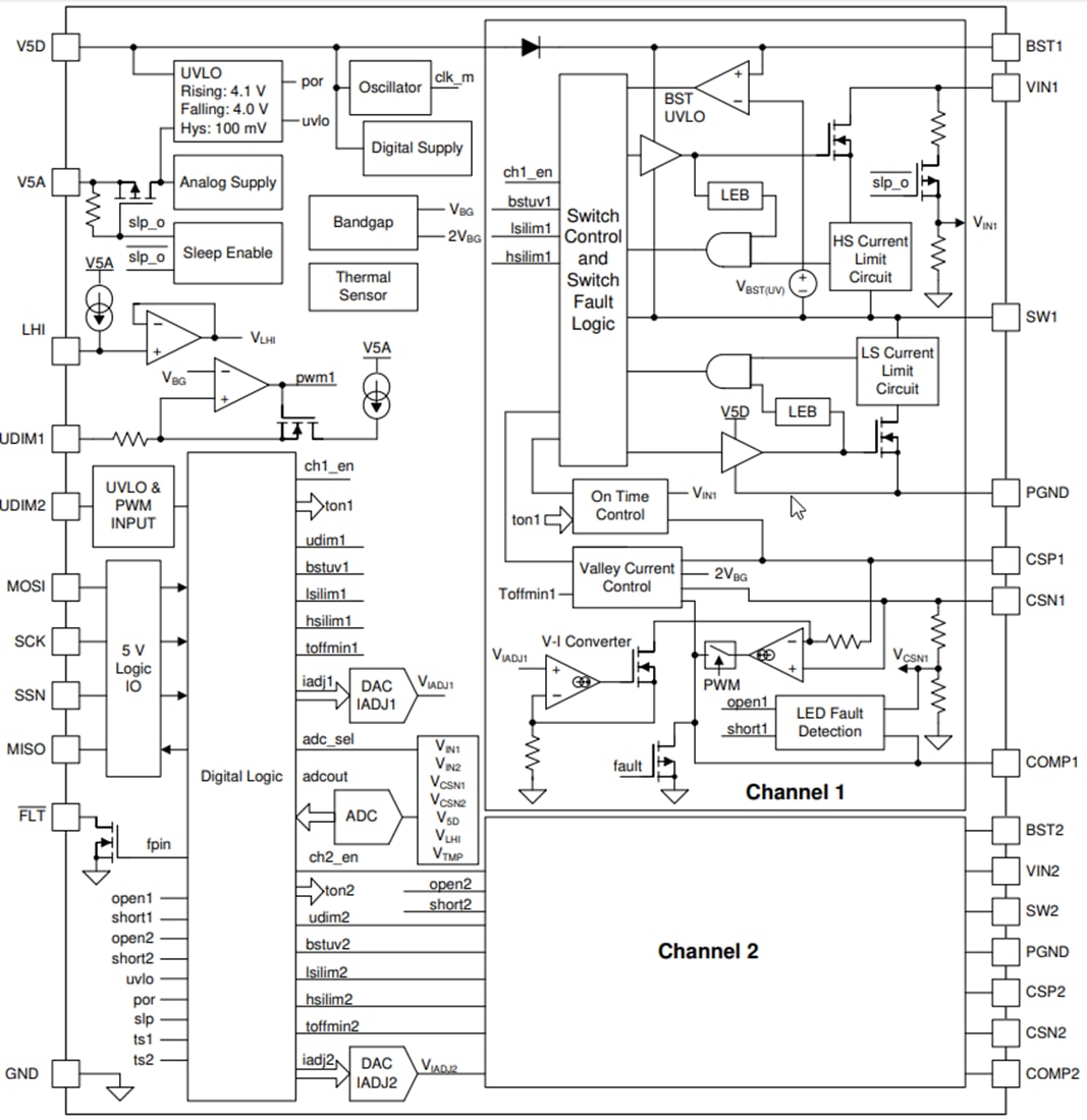
TPS92520 Controlador de LED Buck de Texas Instruments
Disponible a través de Mouser Electrinics, este instrumento LED de Texas Instruments puede operar con tensiones de entrada de 4.5 a 65 V y una frecuencia de conmutación de 100 kHz a 2.2 MHz. El circuito puede suministrar dos secuencias de LED independientemente con varios Funciones de control.




