Mouser Electronics ofrece un sensor de vibración que se considera el más pequeño en su clase. Se trata del D7S de Omron de que tratamos en este artículo.
El D7S es un sensor de vibración o sensor sísmico de alta precisión indicado para aplicaciones IoT Los lectores interesados en ver información completa pueden acceder al datasheet en: https://www.mouser.com/ds/2/307/en-d7s-957666.pdf .

Una característica que pocos conocen que está asociada a este tipo de sensor es la intensidad espectral o SI (Spectral Intensity). La intensidad espectral es equivalente a la magnitud de la energía destructiva causada por el movimiento sísmico en estructuras.
El valor de la SI es el valor medio del espectro de velocidad integrado, y es un índice que expresa la fuerza destructiva de un movimiento sísmico lo que está altamente correlacionado con los daños causados ??a la estructura. La fórmula que permite calcular el SI es:

En la figura abajo tenemos un gráfico que muestra la relación entre el SI y la escala de intensidad sísmica usada en Japón.

Sensores como el presentado posibilitan la detección de terremotos con gran precisión y bajo consumo de energía a través del uso de sensores de aceleración de 3 ejes y un algoritmo apropiado que permiten calcular el valor SI.
Pero no es sólo en la detección de terremotos que este tipo de sensor encuentra aplicaciones. Si bien el ejemplo dado tiene como base a Japón, que está sujeto a este tipo de fenómeno el D7S puede ser usado en otras aplicaciones tales como:
- Paneles de distribución de energía
- Electromecánicos
- Fábricas
- Puentes
- Túneles
- Ferrocarriles
El dispositivo es alimentado por tensiones de 2,1 a 5,5 V y consume 300 uA en el procesamiento con sólo 90 uA en el estado de espera.
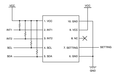
En la figura abajo tenemos un circuito de aplicación.

Para adquirir el D7S a través de Mouser Electronics acceda a: https://www.mouser.com/ProductDetail/Omron-Electronics/D7S-A0001?qs=sGAEpiMZZMvEGZ0tfWSvRxrbGMI2TQTUodows%252bH0wAD5KrrtKiUE7w%3d%3d



