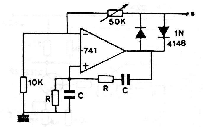
Este circuito de oscilador para señales de audio senoidales con el operacional 741 requiere una fuente de alimentación simétrica de 6 a 12 V. El circuito es de una documentación antigua y la frecuencia es dada por RC. Se pueden utilizar otros operacionales.




