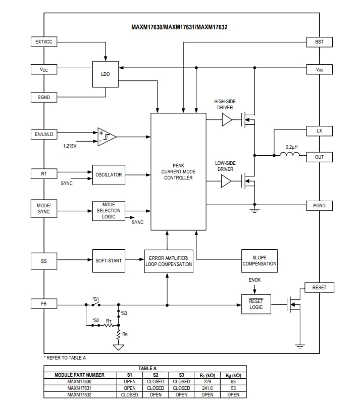
MAXM17630 MAXN17631 y MAXM17632 Módulos de potencia de Maxim
Mouser Electronics anuncia la disponibilidad de esta serie de módulos de potencia de Maxim Integrated para tensiones de 45 a 36 V con corrientes de salida de 1 A. Las diferencias en las otras características de los tres módulos se pueden ver en el enlace:




