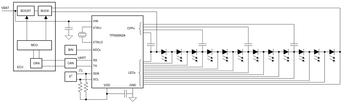
TPS92662Q Q1 - Gerenciador de matriz de LED
Este circuito integrado de Texas Insrtruments, disponible de Mouser Electronics, permite la gestión individual de los LED en una matriz. El circuito admite UAERT y funciona con voltajes de entrada de 4.5 a 60 V. El circuito es adecuado para sistemas de faros de vehículos y sistemas de luces dinámicas.




