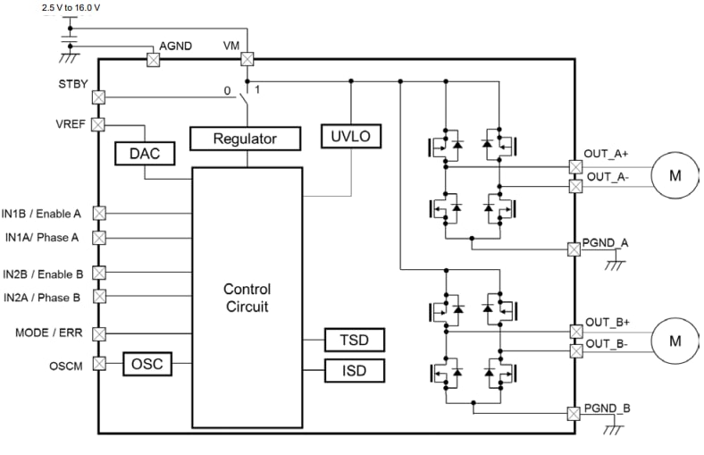
TC78H660FTG Toshiba Controlador de puente doble H
Este circuito integrado de Toshiba, puesto a disposición por Mouser Electronics, consta de una unidad de control PWM con tensiones de alimentación de 2.5 a 16 V y 2 A de corriente de salida. El dispositivo contiene MOSFET integrados con baja resistencia de conducción y varias funciones de soporte a las que puede acceder en su hoja de datos desde:



