TPS723x Reguladores de baja tensión de Texas
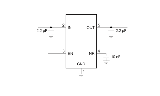
Texas Instruments tiene a Mouser como el principal distribuidor de sus productos, como esta serie de LDO de 200 mA con solo 280 mV de caída de tensión en 2.5 V. Los componentes pueden operar con tensiones de entrada de -10 a -2.7 V y salidas de -10 V a -1.2 V.




