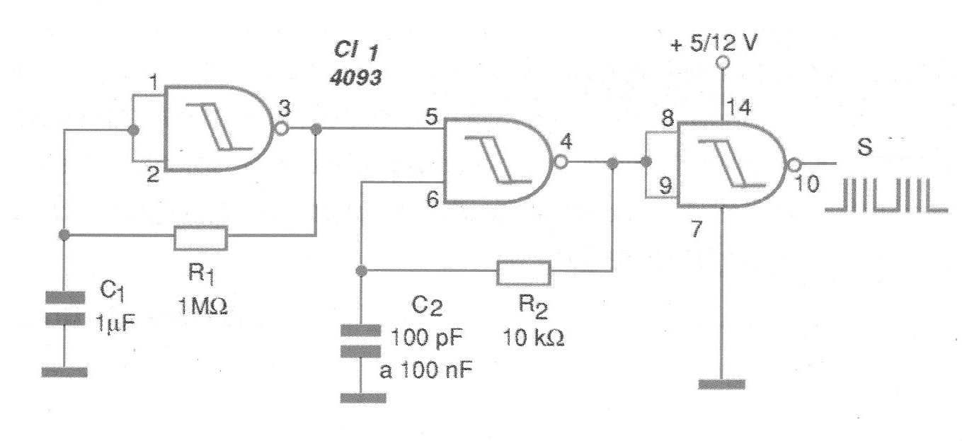
La finalidad del circuito mostrado en la figura 1 es generar trenes o guardar de pulsos rectangulares en tiempos intercalados. Los intervalos son igual a la duración del tren y básicamente determinados por C1 y R1.
Con los valores indicados, este tiempo es del orden de 1 segundo. Otros intervalos pueden obtenerse con el cambio de estos componentes. La frecuencia de las muñecas es determinada por C2 y R2 que en el caso está alrededor de algunos quilohertz. Estos componentes también pueden tener sus valores cambiados según la aplicación. La alimentación del circuito determinará su intensidad.
Recordamos que, con 10 V de alimentación la frecuencia máxima de operación del circuito está alrededor de 7 MHz.
Podemos utilizar este circuito en la prueba de sistemas digitales de adquisición de datos, pruebas de líneas de transmisión de datos y en muchas aplicaciones similares.
En la figura 2 tenemos una placa de circuito impreso para la implementación del dispositivo.
Lista de material
CI-1 - 4093 - circuito integrado CMOS
R1 - 1 M ohms x 1/8 W - resistor
R2 - 10 k ohms x 1/8 W - resistor
C1 - 1 uF - capacitor de poliéster
C2 - 100 pF a 100 nF - capacitor de poliéster o cerámico
Varios:
Placa de circuito impreso, fuente de alimentación, hilos, soldadura, etc.





