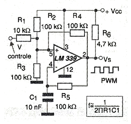
El oscilador mostrado en la figura 1 tiene su salida formada por pulsos que pueden ser modulados por una tensión aplicada a la entrada (V control).

La frecuencia central de la señal está determinada por R5 y C1, según la fórmula junto al diagrama. Esta fórmula es aproximada y debe tenerse en cuenta las tolerancias de los componentes.
La tensión de control debe variar entre 0 y la tensión de alimentación del circuito que puede estar entre 6 y 12 V típicamente.
La señal producida en la salida está formada por pulsos rectangulares. Observe la necesidad de una resistencia pull-up en la salida, ya que el LM339 tiene transistores de salida con colector abierto.
El circuito puede generar señales de hasta 1 MHz aproximadamente.
La señal de control puede provenir de sensores resistivos u otras fuentes.
En la figura 2 tenemos una sugerencia de placa de circuito impreso, recordando con los demás comparadores del LM339 pueden ser usados con otras finalidades, pues son independientes.

El circuito no necesita una fuente de alimentación simétrica.
Lista de material
CI-1 - LM339 - cuádruple comparador de tensión
R1 - 10 k ohms x 1/8 W - resistor
R2, R3, R4, R5 - 100 k ohms x 1/8 W - resistores
R6 - 4,7 k ohms x 1/8 W - resistor
C1 - 10 nF - capacitor
Varios:
Placa de circuito impreso, fuente de alimentación, hilos, soldadura, etc.



