NCV8187 LDO con buena potencia de ON Semiconductor
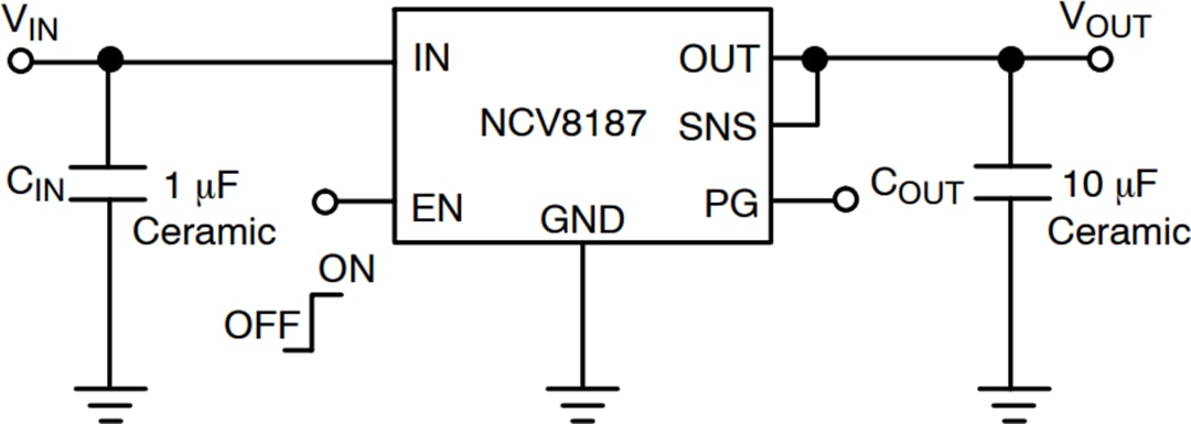
Este regulador LDO de 1.2 A con buena potencia de ON Semiconductor está disponible en Mouser Electronics. El dispositivo puede suministrar corriente de hasta 1.2 A con un rango de tensiones de entrada de 1.5 a 5.5 V. Las tensiones de salida fijos varían de 0.8 a 5.2 V. La corriente de reposo es de solo 30 uA.




