El circuito que presentamos hace que un relé cierre sus contactos cuando el sensor, un LDR común es oscurecido, o sea, en el caso de una sobre o aún al anochecer, posibilitando el uso del proyecto como interruptor crepuscular o luz automática.
El circuito no tiene traba, lo que significa que los contactos del relé sólo permanecer cerrados durante el tiempo en que haya sombra sobre el sensor.
Podemos alimentar el circuito con tensiones de 5 a 12 V según el relé. En espera de que el consumo es bajo, lo que permite la alimentación del circuito por pilas. Pero si en el accionamiento el relé se energiza por mucho tiempo, será conveniente utilizar la fuente de alimentación.
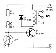
En la figura 1 tenemos el diagrama completo del aparato.

En la figura 2 tenemos una sugerencia de placa de circuito impreso.
Lista de material
Q1 - BC548 - transistores NPN de uso general
D1- 1N4148 - diodo de uso general
LDR - LDR común
K1 - - Relé miniatura de 6 ó 12 V
R1 - 4k7 x 1/8 W-resistor - amarillo, violeta, rojo
P1 - 10k a 47k - trimpot o potenciómetro
Varios:
Placa de circuito impreso, pilas o fuente de alimentación, hilos, soldadura, etc.




