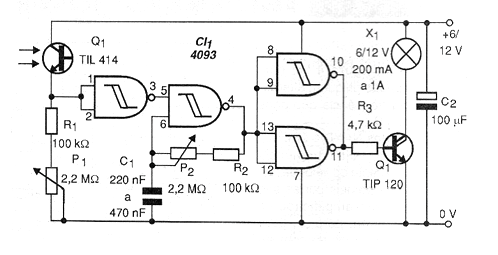
El circuito mostrado en la figura activa una pequeña lámpara indicadora que parpadeará cuando la iluminación ambiente se reduce. El punto de disparo del circuito es determinado por P1 y la frecuencia de los intermitentes se ajusta en P2.

El sensor es un foto-transistor común que, para mayor eficiencia debe ser montado en un tubo y apuntado al lugar en que se desea monitorear la luz. Este sensor no puede recibir la luz de la propia lámpara que se alimenta para que no se produzcan realimentaciones, capaces de instabilizar el circuito.
Para lámparas de hasta 50 mA se puede utilizar un BC548 y para lámparas de 200 mA a 1 A, se debe utilizar un Darlington de potencia, como el TIP120, montado en un radiador de calor.
El consumo en reposo es muy bajo. El consumo, cuando está activado, depende sólo de la lámpara utilizada. Por lo tanto, para la alimentación de lámparas más grandes se debe utilizar la fuente o la batería.
En la figura 2 tenemos una sugerencia de placa de circuito impreso para el montaje del interruptor nocturno. En el diseño de la placa prevemos la utilización del TIP120. Los transistores equivalentes pueden tener terminales diferentes, requiriendo cambios en la placa.

La tensión de alimentación debe ser de acuerdo con la lámpara usada, pudiendo quedar entre 6 y 12 V para las aplicaciones comunes.
Para ajustar el aparato, basta con cubrir el sensor y actuar sobre P1 para determinar el disparo del circuito. Después, se ajusta P2 para la frecuencia de los intermitentes.
Lista de material
Semiconductores:
CI-1 - 4093 - circuito integrado
Q1 - TIL414 o cualquier foto-transistor común
Q2 - TIP120 - transistores NPN Darlington de potencia - ver texto
Resistores: (1/8 W, 5%)
R1, R2 - 100 k ohms - marrón, negro, amarillo
R3 - 4,7 k ohms - amarillo, violeta, rojo
P1, P2 - 2,2 M ohms - trimpots
Capacitores:
C1 - 220 nF a 470 nF - capacitor de cerámica o poliéster
C2 - 100 uF x 12 V - capacitor electrolítico
Varios:
Placa de circuito impreso, caja para montaje, fuente de alimentación (pilas, fuente o batería), hilos, soldadura, etc.



