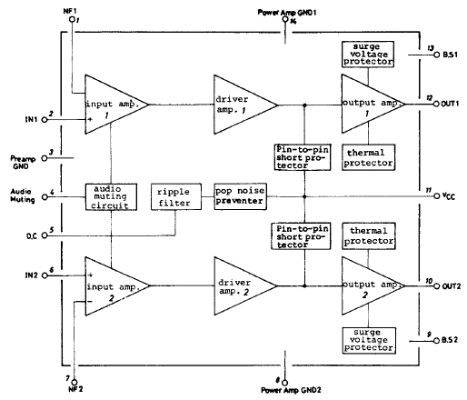
Disponible en Mouser Electronics, el ON Semiconductor LA4440 consta de un amplificador de audio dual de 6 W de potencia. El dispositivo incluye función de silencio y protección. Las aplicaciones incluyen sistemas estéreo o de puente.

Disponible en Mouser Electronics, el ON Semiconductor LA4440 consta de un amplificador de audio dual de 6 W de potencia. El dispositivo incluye función de silencio y protección. Las aplicaciones incluyen sistemas estéreo o de puente.
