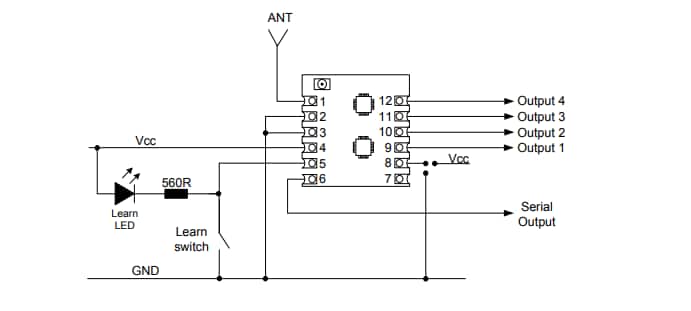
Los módulos de radiofrecuencia Telemetry RF ZPT están disponibles en Mouser Electronics. Estos módulos tienen salidas en serie y digitales cuando funciona el transmisor. El dispositivo cuenta con 4 canales de recepción y 4 salidas digitales. La tensión de alimentación está entre 1.8 y 3.6 V, indicada para soluciones en controles remotos, sensores, telemetría y conmutación remota, luces remotas y otros.




