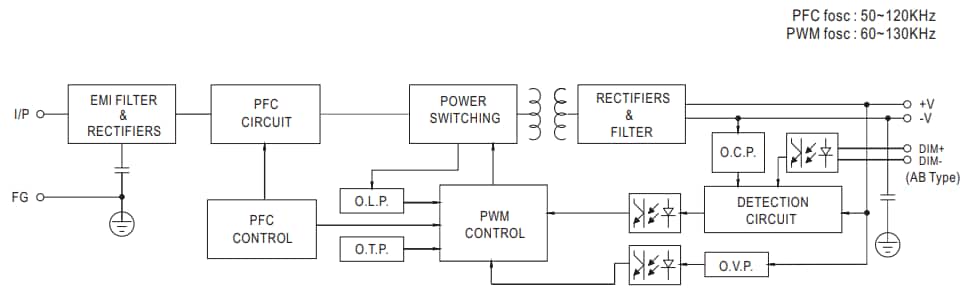
Suministrado por Mouser Electronics Los convertidores AC / DC XLG240 240 de Mean Well pueden alimentar 240 W de LED con tensiones AC de entrada de 100 a 350 V. La corriente de salida puede variar de 700 mA a 6,6 A. El dispositivo tiene una eficiencia que alcanza el 93% y es adecuado para aplicaciones en interiores y exteriores.




