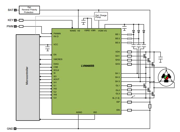
Mouser Electronics anuncia disponibilidad en su stock del controlador de puerta ON Semiconductor LV8968. Este componente es un pre-controlador BLDC / PMSM trifásico con detección de tensión integrada y FET compatibles con lógica. El voltaje de alimentación puede estar entre 8V y 28V y en modo lógico extendido de 6V a 33V. La frecuencia PWM puede alcanzar 30 kHz.




