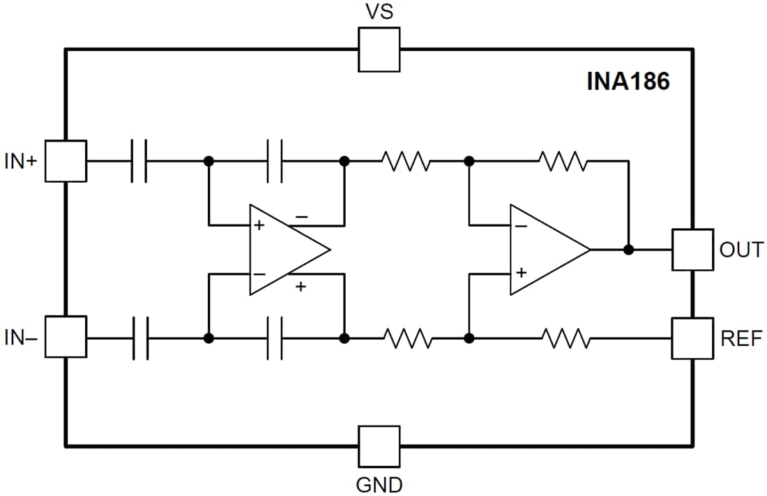
INA186 Monitor Shunt de Corriente de Texas Instruments
Texas Instruments distribuye a través de Mouser Electronics el INA186, un monitor sgunt de corriente para operación en modo corriente con tensiones de - 0,2 V a + 4- V y alimentación de 1,7 a 5,5 V. El dispositivo tiene una la corriente quiescente de apenas 48 uA y las ganancias en diversas opciones.




