TPS2662 Fusibles eFuses de Texas Instruments
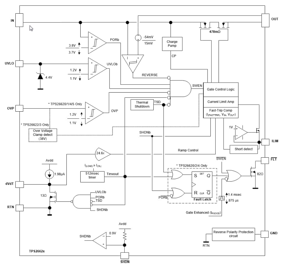
Mouser Electronics distribuye los eFuses de Texas Instruments TPS2662 para las corrientes 800 mA / 60 V con sistema integrado de protección contra inversión de polaridad. Las aplicaciones incluyen sensoriamiento y control, servo y AC controladores, termostatos y protección PoE.




