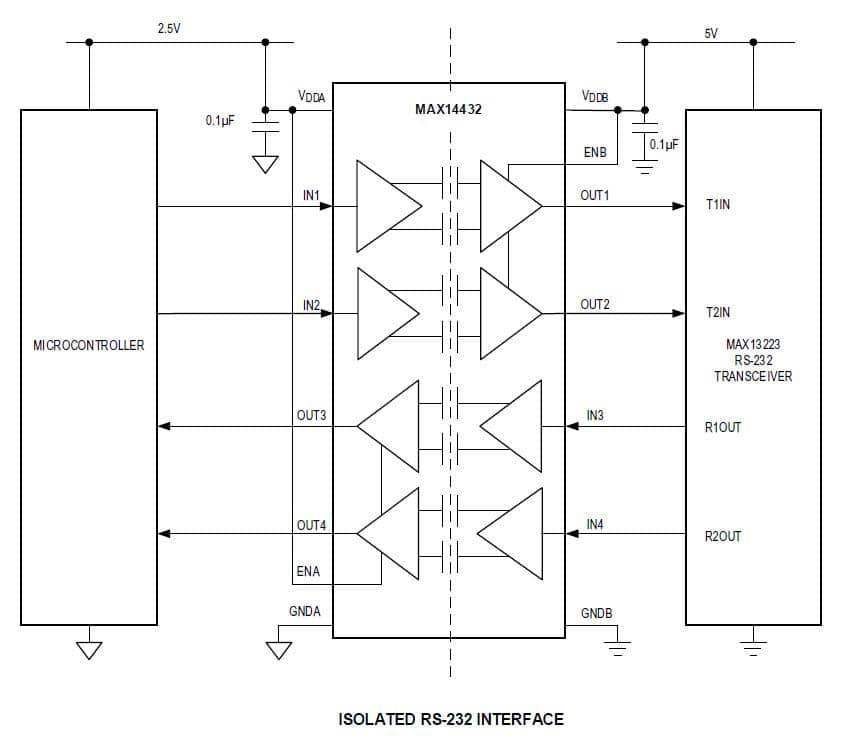
MAX14432 Aisladores Digitales de Maxim
Pueden adquirirse en Mouser Electronics los aisladores digitales MAX14432 de Maxim. Los componentes de 4 canales son rápidos presentando un aislamiento de 3,75 kV / RMS por 60 segundos. La velocidad es de 1 Mbps con alimentación de 1,8 V.




