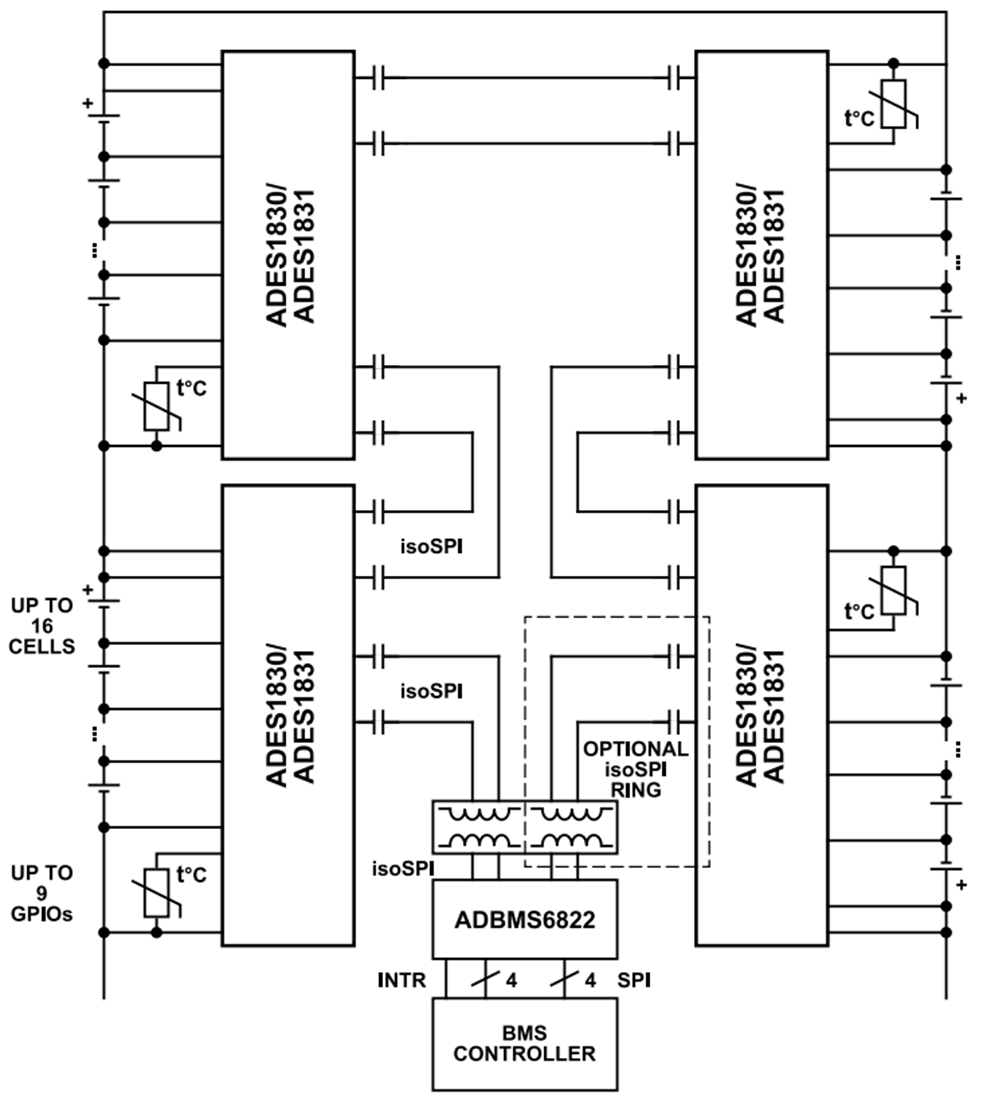
Los monitores de batería de 16 canales ADES1830/ADES1831 de Analog Devices son monitores de celdas de batería de múltiples celdas que miden hasta 16 celdas de batería conectadas en serie. Estos dispositivos tienen un error de medición total (TME) de menos de 2 mV para el ADES1830 y menos de 5 mV para el ADES1831 en todo el rango de temperatura. El rango de entrada de medición de −2 V a +5,5 V hace que el ADES1830/ADES1831 sea adecuado para la mayoría de las químicas de baterías y permite la medición de voltajes de barras colectoras. Se toman medidas para evitar las barras colectoras sin dedicar ningún canal de medición.




