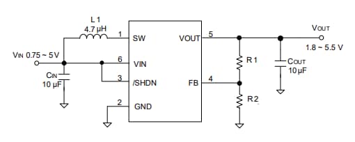
El convertidor elevador síncrono PANJIT PJ30072 es un convertidor CC-CC avanzado basado en una topología de controlador PSM/tiempo de apagado constante que utiliza un rectificador síncrono interno. Este convertidor ofrece una solución integral de suministro de energía para dispositivos alimentados por una o dos celdas de baterías de Ni-Cd, alcalinas y Ni-MH. El convertidor PJ30072 logra hasta un 94 % de eficiencia y está disponible en el paquete SOT23-6. Este convertidor presenta una corriente de apagado baja <1 μA, una corriente de reposo baja de 12 μA y una corriente de entrada baja sin carga. El convertidor PJ30072 se utiliza en instrumentos médicos, teléfonos inteligentes, ratones inalámbricos y dispositivos Bluetooth®.




