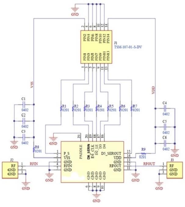
El atenuador digital MACOM MAAD-011048 es un atenuador digital MMIC de banda ancha de 5 bits, rango de atenuación de 31dB y paso LSB de 1dB. Este atenuador digital está controlado por una interfaz serial compatible con SPI o una palabra paralela de 5 bits. La interfaz de control serie (SERIN, CLK, LE y SEROUT) es compatible con el protocolo SPI. SEROUT es SERIN retrasado por 6 ciclos de reloj, que se pueden usar en operación en cadena. El atenuador digital MAAD-011048 integra un controlador compatible con CMOS y es compatible con lógica CMOS de 1,8V. Este atenuador tiene la opción de modo de control paralelo o serie (P/S) y ofrece un bajo consumo de energía CC. El atenuador digital MAAD-011048 viene en un paquete de montaje en superficie laminado de 3 mm con 20 terminales sin plomo. Este dispositivo es ideal cuando se requieren productos de alta precisión, muy bajo consumo de energía y baja intermodulación.




