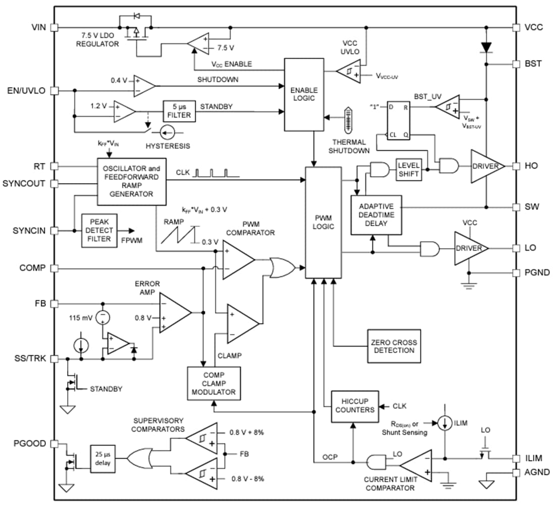
El controlador reductor síncrono LV5144 de 95 V de Texas Instruments regula desde una fuente de alto voltaje de entrada o una línea de entrada sujeta a transitorios de alta tensión, lo que minimiza la necesidad de componentes externos de supresión de sobretensiones. Un tiempo mínimo de activación del interruptor del lado alto de 45 ns proporciona grandes velocidades de reducción, lo que permite la conversión directa de una entrada nominal de 48 V a líneas de baja tensión para reducir la complejidad del sistema y el costo de diseño. El Texas Instruments LV5144 continúa funcionando durante caídas de tensión de entrada de hasta 6 V, con un ciclo de trabajo de casi el 100 % si es necesario, lo que lo convierte en una excelente opción para controles industriales de alto rendimiento, robótica, comunicaciones de datos y aplicaciones de RF.




