Destacamos en este artículo el regulador de tensión dual de entrada DC-DC reductora de 5 A a 20 V de Analog Devices. Adecuado para aplicaciones de equipos de diagnóstico, redes, telecomunicaciones y de uso general, así como para sistemas de prueba y depuración. La información proporcionada en este artículo fue tomada directamente de su hoja de datos a la que se puede acceder desde el enlace indicado.
Enlace al artículo: https://br.mouser.com/pdfDocs/ADI_LTM4705_DS.pdf y enlace para comprar en Mouser Electronics: https://br.mouser.com/new/analog-devices/adi-ltm4705-dcdc- ummodule-regulador /
El LTM®4705 es un conmutador reductor dual completo de 5A en modo regulador µModule® (micro-módulo) en una pequeña carcasa BGA de 6,25 mm × 7,5 mm × 3,22 mm. En el gabinete se incluyen el controlador de conmutación, los MOSFET de potencia, el inductor y los componentes de soporte.
Operando en un rango de tensión de entrada de 3,1 V a 20 V, el LTM4705 admite un rango de tensión de salida de 0,6 V a 5,5 V, definido por un único resistor externo. Su diseño de alta eficiencia proporciona una corriente de salida continua dual de 5A. Solo se necesitan unos pocos capacitores cerámicos en la entrada y salida.
El LTM4705 admite el funcionamiento en modo de ráfaga seleccionable y el seguimiento de la tensión de salida para la secuenciación de la línea de alimentación. Su alta frecuencia de conmutación y el control del modo de corriente permiten una respuesta transitoria muy rápida a la línea y la carga sin cambios y sin sacrificar la estabilidad.
Las características de protección contra fallas incluyen protección contra sobretensión de entrada, sobrecorriente de salida y sobrecalentamiento. El LTM4705 está disponible de conformidad con RoHS.
En la figura 1 tenemos una aplicación típica.

La eficiencia para una entrada de 12 V en función de la corriente de carga se muestra en el gráfico de la figura 2.

En la hoja de datos disponible en el enlace, se puede obtener la disposición de los pinos en el gabinete BGA y sus funciones. También se dan tablas con máximos absolutos, características eléctricas y otra información necesaria para un proyecto. También se dan las curvas de rendimiento.
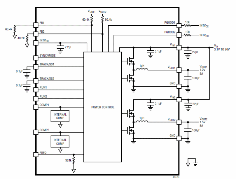
El diagrama de bloques del componente se muestra en la Figura 3.
El fabricante indica la necesidad de desacoplar capacitores en la entrada, típicamente 22 uF y desacoplar en la salida típicamente 100 uF. También se proporciona información de diseño, incluido el cálculo del resistor de programación RFB que determina la tensión de salida.
En la hoja de datos se encuentran varios circuitos de aplicación. Destacamos algunos.
En la figura 4 tenemos un regulador de entrada de 3,1 a 20 V con d 1 V y salidas de 1,5 V con 5 A de corriente.

Otro circuito de aplicación se muestra en la figura 5. En él tenemos un regulador de 1.2 V con las salidas conectadas en paralelo para suministrar una corriente máxima de 10 A.

Otros circuitos se pueden encontrar en la hoja de datos.




