Los módulos de fuente de alimentación son una forma conveniente de obtener energía para alimentar circuitos electrónicos. Mean Well es un experto en este tipo de dispositivos y es uno de ellos el que nos ocupa en este artículo. Hablaremos de las fuentes de alta tensión UHP-1500-HV.
Este artículo se preparó con material obtenido del sitio web de Mouser Electronics y de la hoja de datos de Mean Well, a la que se accede a través de los siguientes enlaces:
https://www.mouser.com/new/meanwell/mean-well-uhp-1500-hv-power-supplies/
Comenzamos mostrando en la figura 1 cómo son estos módulos de 1500 W.

Los módulos de fuente de alimentación de alta tensión UHP-1500-HV de MEAN WELL cuentan con voltajes de salida de 115 V, 230 V y 380 V que se pueden usar con una variedad de aplicaciones de CC de alta tensión.
Las fuentes de alimentación MEAN WELL UHP-1500-HV ofrecen un diseño delgado, sin ventilador/refrigerado por conducción con un perfil bajo de 1U (41 mm). La serie ofrece una alta eficiencia de hasta el 95,5 % y funciona de -30 °C a +70 °C con convección de aire sin ventilador. El UHP-1500-HV incluye funciones de protección completas y capacidad antivibración 5G.
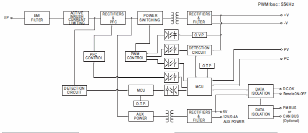
En la figura 2 tenemos el diagrama de bloques de estas fuentes.

Aplicaciones:
- Automatización industrial
- Sistema de control
- Equipos mecánicos y eléctricos.
- Instrumentos
- Equipos de prueba
- Láser
- Equipo de carga de baterías
- Autobús descentralizado
Descargando la ficha técnica desde el enlace indicado, podemos acceder a las características de funcionamiento y a los máximos absolutos.
También se encuentran las curvas características operativas, como se indica en la figura 3.

Y, por supuesto, para completarlo, encontrarás las dimensiones del producto en la ficha técnica.



