Para aquellos que diseñan aplicaciones IoT o que necesitan comunicación WiFi o Bluetooth, destacamos un módulo de Murata que puede facilitar mucho tu proyecto, sumando rendimiento a un costo que sin duda te resultará conveniente. Nos ocuparemos del módulo 1XK WiFi® + Bluetooth®.
Este artículo fue preparado en base a la información obtenida de Mouser Electronics y la propia hoja de datos del componente, a la que se puede acceder a través del siguiente enlace.
https://www.mouser.com/new/murata/murata-type-1xk-module/
Destaques:
- Utiliza NXP IW416
- Cumple con IEEE802.11a/b/g/n, SISO
- Compatible con la especificación Bluetooth® v5.2 (ver PIC para conocer las funciones de Bluetooth compatibles en el sitio web de Bluetooth SIG)
- Admite la interfaz estándar SDIO3.0 para WLAN
- El soporte de las interfaces UART/SDIO3.0 para Bluetooth es la interfaz del controlador de host (HCI)
- Tipo de montaje en superficie 9,1 x 8,3 mm (típico), H = 1,3 mm (máx.)
- Peso: 268,8 mg
- MSL: Por definir
- RoHS
En la figura 1 tenemos el aspecto del componente con su huella y codificación. Esta codificación se detalla en la hoja de datos y es importante para determinar el tipo para un proyecto determinado.
En la figura 2 tenemos un detalle de la construcción interna del módulo.

La descripción de las funciones de los pines es otra información importante que se puede obtener del documento de 48 páginas de Murata.
En la figura 3 tenemos el diagrama de bloques del componente.

La información, como las condiciones de funcionamiento y los gráficos de tiempo, se incluyen en su totalidad en la documentación.
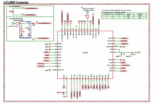
También tenemos circuitos de referencia, uno de los cuales se muestra en la figura 4.





