El amplificador clase D de 10 W PAM8106 de Diodes Incorporated es una solución interesante para aplicaciones en sistemas multimedia, televisores LCD, reproductores de DVD, juegos e instrumentos musicales. Vea en este artículo algunas informaciones importantes sobre su uso.
Este artículo se basa en la información obtenida en el datasheet del componente al que se puede acceder en: https://br.mouser.com/datasheet/2/115/PAM8106-1323209.pdf . Para su adquisición en Mouser Electronics, acceda al enlace: https://br.mouser.com/ProductDetail/Diodes-Incorporated/PAM8106TVR?qs=55YtniHzbhAlXgu6qPUVFA%3d%3d
El PAM8106 consiste en un amplificador clase D que puede ser alimentado por tensiones de 4,6 V a 15 V, siendo suministrado en un envoltorio como el mostrado en la figura 1.

Con una alimentación de 12 V el amplificador proporciona una potencia de 10 W en carga de 8 ohms. Sin embargo, el circuito también puede excitar cargas de 4 ohmios.
La eficiencia de este circuito llega al 92% y tiene bajas corrientes de velocidad y características de bajo ruido, además de otras como la supresión del ruido al conectar, que se detallan en el datasheet.
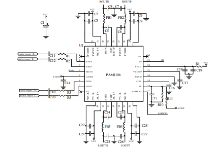
En la figura 2 tenemos el circuito típico de aplicación.

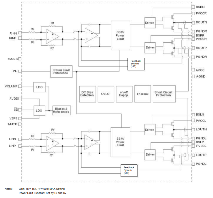
La tabla en el datasheet detalla las funciones de todos los pines de este amplificador. El diagrama de bloques de este componente se muestra en la figura 3.

En la figura 4 tenemos dos curvas de rendimiento de este amplificador para alimentación de 12 y de 15 V. Otras curvas se pueden obtener en la documentación del fabricante.

En la figura 5 mostramos dos curvas de respuesta de frecuencia, con familias que dependen de los condensadores usados en la entrada y también la modulación cruzada.




