El circuito integrado LP5569 de Texas Instruments consiste en un controlador (driver) para LEDs RGB con diversos recursos que permiten su uso en muchas aplicaciones prácticas interesantes. En este artículo, basado en el datasheet del componente analizamos este componente y sus aplicaciones.
El datasheet de LP5669 puede ser accedido en el enlace http://www.ti.com/lit/ds/symlink/lp5569.pdf y para su compra a través de Mouser Electronics use el enlace https://www.mouser.com/new / Texas-Instruments / TI-lp5569-conductor /.
El LP5669 consiste en un controlador de LED que puede ser alimentado por tensiones de 2,5 a 5,5 V y que proporciona una corriente de 25 mA por canal. El control se puede realizar por canales individuales de 8 bits y el control PWM interno de 12 bits funciona con frecuencia hasta 20 kHz.
La interfaz puede ser directa o I2C. Varios otros recursos se pueden encontrar en la descripción del componente en el datasheet.
Entre las aplicaciones sugeridas por el fabricante tenemos: altavoces inteligentes, electrodomésticos, campanas, cerraduras eléctricas, detectores de humo, termostatos, etc.
En la figura 1 tenemos el envoltorio. Las funciones de los pernos se detallan en la tabla dada en el datasheet.

Las características eléctricas, los máximos absolutos y las curvas de rendimiento se detallan en el datasheet. También tenemos una descripción completa de su funcionamiento en un total de 93 páginas.
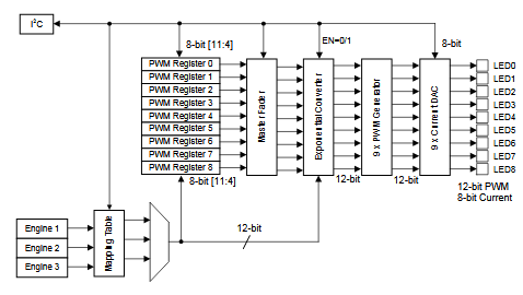
La figura 2 detalla en bloques el flujo de datos para los LED en el componente.

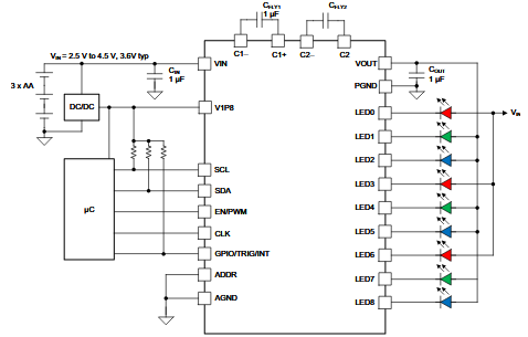
En la figura 3 tenemos una aplicación típica con los valores de los componentes usados. El rango de tensiones de este circuito es de 2,5 a 5,5 V.

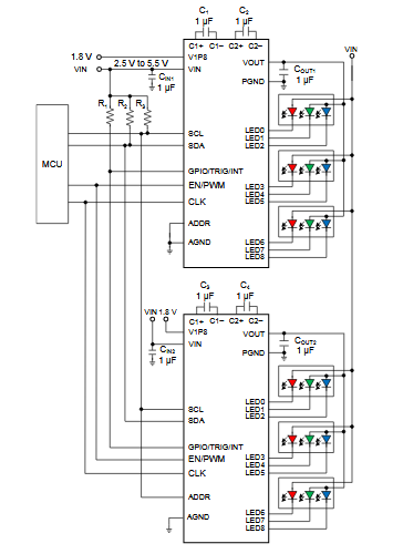
Una aplicación dual se muestra en la figura 4 en la que se pueden excitar más LED.




