TPS6282x Convertidores Step Down de Texas Instruments
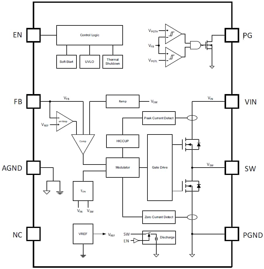
Texas Instruments ofrece a través de Mouser Electronics los convertidores Step-down TPS6282x para uso general. La corriente quiescente es de sólo 4 uA y la corriente de salida es de 3 A. El rango de tensiones de entrada va de 2,4 V a 5,5 V.




