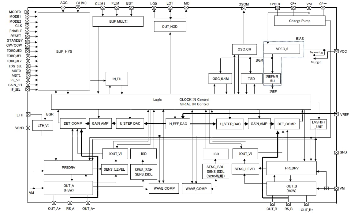
TB67S128FTG Controlador de motor de paso de Toshiba
Está disponible en la Mouser Electronics el TB67S128FTG, un circuito integrado controlador de motor de paso de Toshiba. Este componente está indicado para motores de dos fases y tiene interfaz serial con PWM. El motor tiene ajustes para diversas modalidades de paso.




