TLE8110ED Llave de potencia de Infineon
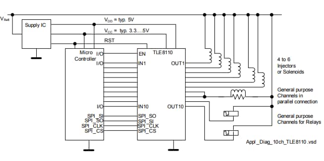
Infineon Technologias ofrece a través de Mouser Electronics el TLE8110ED, una llave de potencia de 10 canales en Smart Power Technology (SPT) con interfaz serial (SPI) y 10 transistores con dreno abierto en la salida. El circuito permite el control de cargas a través de PWM y su resolución es de 16 bits. La alimentación se puede hacer con tensiones de 3,3 a 5 V.




