PM8804 Llave de potencia de STMicroelectronics
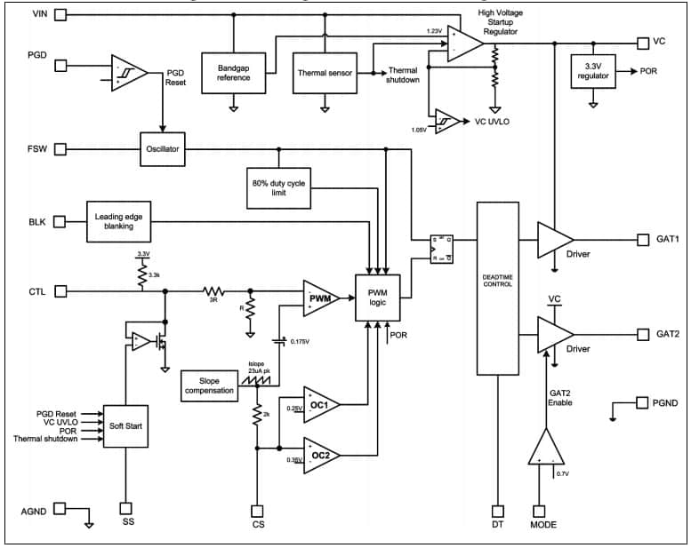
El circuito integrado PM8804 de STMicroelectronics suministrado por Mouser Electronics consiste en una llave de potencia PWM que permite proyectar convertidores de 48 V. Con un regulador interno de 20 mA puede operar con un mínimo de componentes externos. La tensión máxima de entrada es de 75 V. Sus aplicaciones son en PoE y Fuentes para Telecom.




