TPS6224x Q1 Convertidores Step Down de Texas Instruments
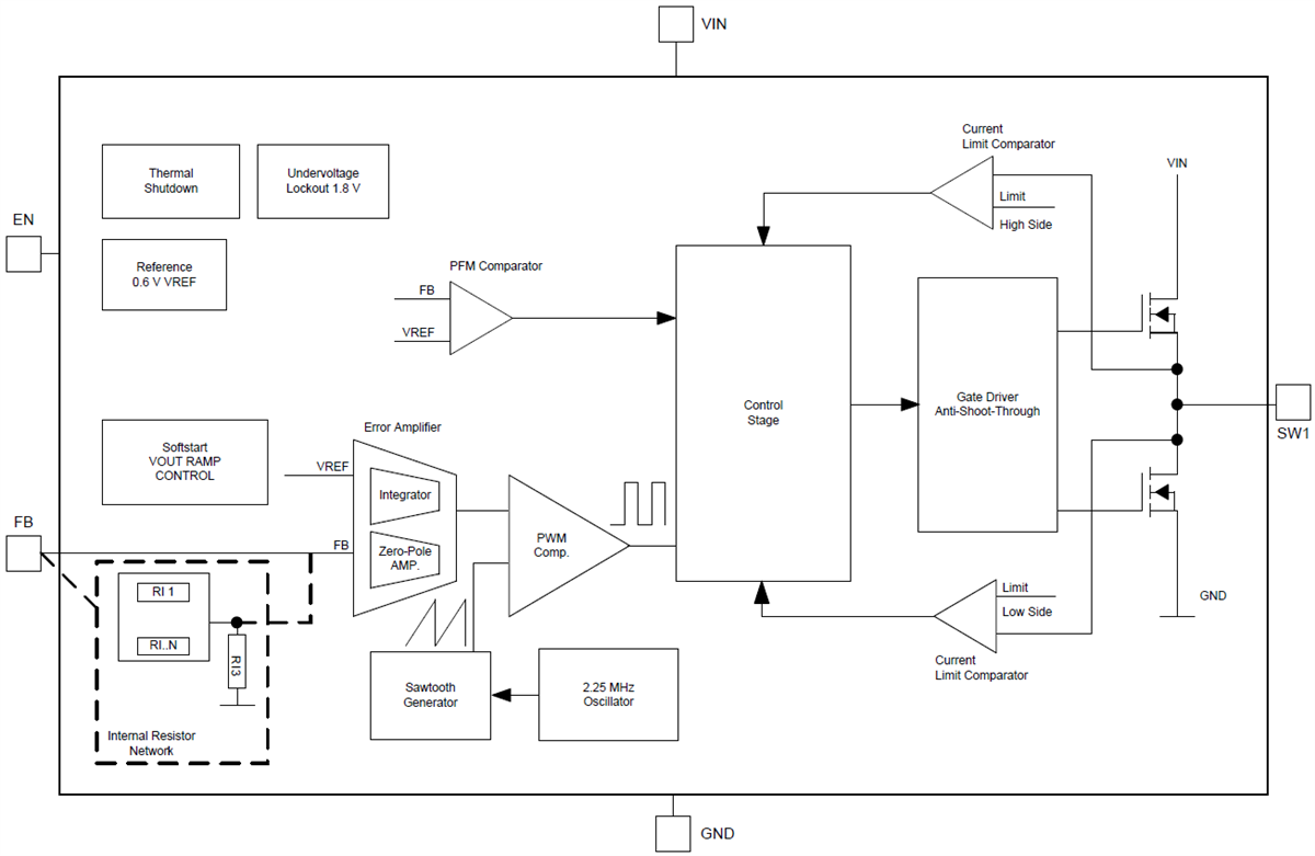
Mouser Electronics es el mayor distribuidor de componentes de Texas Instruments, como el TPS6224x-Q1, un convertidor estandarizado de alta eficiencia, sincronizado. De tipo step down tiene un rango de tensiones de entrada de 2 V a 6 V y corriente de salida de 300 mA. Las tensiones de salida se fijan de 1,80 V y 1,25 V.




