MAX14745 Solución para gestión de carga en vestibles de Maxim Integrated
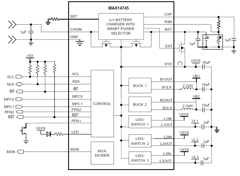
La Maxim Integrated ofrece a través de la Mouser Electronics el circuitointegrado MAX14745, una solución para gestión de carga en vestibles, además de dispositivos de fitness y dispositivos recargables IoT. El dispositivo proporciona 5 tensiones reguladas siendo 3 con reguladores LDO de bajo consumo. Ver




