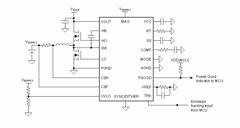
El controlador Boost LM51231-Q1 de Texas Instruments proporciona un amplio rango de entrada y emplea un control de modo de corriente máxima. El amplio rango de entrada admite arranque en frío automotriz y descarga de carga. La tensión de entrada mínimo puede ser tan bajo como 0,8 V cuando el BIAS es igual o superior a 3,8 V en el dispositivo. El LM51231-Q1 tiene un voltaje de salida que se puede programar dinámicamente usando la función de seguimiento. Al mismo tiempo, la operación del modo de derivación se ingresa automáticamente cuando VSUPPLY > VLOAD, eliminando la caída del diodo del cuerpo del MOSFET del lado alto. La frecuencia de conmutación se programa dinámicamente con una resistencia externa de 100 kHz a 2,2 MHz. La conmutación a 2,2 MHz minimiza la interferencia de la banda AM y permite un tamaño de solución pequeño y una respuesta transitoria rápida.




