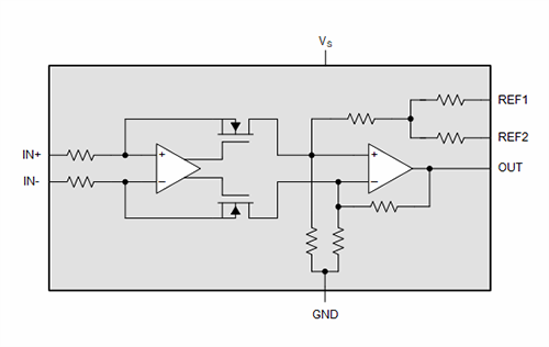
Los amplificadores de detección de corriente ultraprecisos INA296x de Texas Instruments miden las caídas de tensión en las resistencias de derivación en un amplio rango de modo común de -5 V a 110 V, independientemente de la tensión de alimentación. Las mediciones de corriente de alta precisión son el resultado de una combinación de tensión de compensación bajo (máximo ±10 µV) y CMRR de CC alto (típico 166 dB) con un pequeño error de ganancia (máximo ±0,01 %). El INA296x bidireccional está diseñado para mediciones de CC de alta tensión y aplicaciones de alta velocidad (como detección de transitorios y protección contra sobrecorriente rápida) con un alto ancho de banda de señal de 1,1 MHz y un tiempo de establecimiento rápido.




