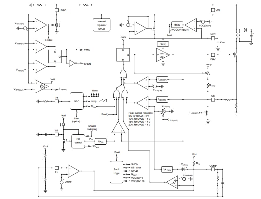
El controlador PWM de modo de corriente onsemi NCV12711 es un dispositivo de modo de corriente pico de frecuencia fija que proporciona todas las características necesarias para implementar topologías de convertidor de voltaje de un solo extremo. El NCV12711 tiene una tensión de operación de 4V a 45V sin devanado auxiliar y dentro de sus capacidades térmicas. El NCV12711 comprende un oscilador programable que opera desde 100kHz a 1MHz e integra compensación de pendiente para evitar oscilaciones subarmónicas.




